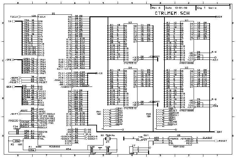
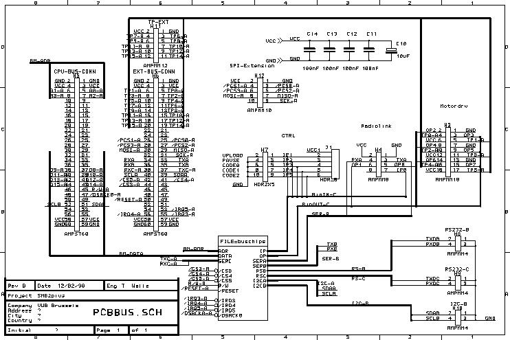
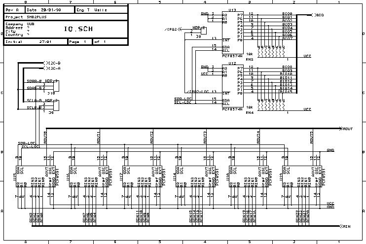
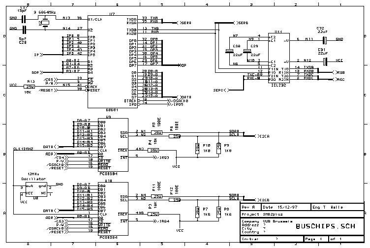
Here are the schematics of the RoboCube: